SEDE ITALIA
Via Carnazzi 7 Trescore Balneario, 24069 (BG)
MARCO BACIS
STABILIMENTO DI PRODUZIONE
76026 BRKA – BRĈKO Districkt – BiH
FABIO PERONE

SCHEDA TECNICA

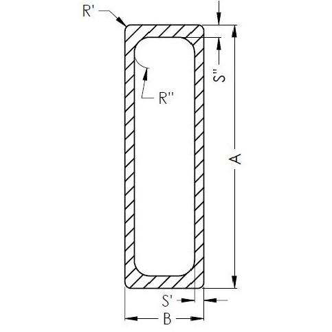
PROFILO TUBOLARE RETTANGOLARE

SERIE 513

Logo certs
Disponibilità commerciale standard in barre da 6000 mm

CARATTERISTICHE GEOMETRICHE

CodiceABR'R''S'S''AreaPesoIxxIyyWxxWyy
mmmmmmmmmmmmmm²kg/mcm⁴cm⁴cm³cm³
5130158262,622,544560,84320,144,586,943,52
5132060244,51,533,54700,8719,474,136,493,44
5131368,826,54,53,32,53,54860,928,545,388,34,06
51322742230,52,52,54470,82826,763,667,233,33
5130278262,522,64,455881,08745,036,1611,554,74
51325852525346801,25858,056,7713,665,42
513319228582,55,757571,40185,388,8318,566,31
513179426,94,532,63,56311,16764,857,6513,85,69
5130395262,52357681,42181,017,9417,056,11
51304150601,53,53312332,28348,0681,646,4127,2

CARATTERISTICHE MECCANICHE

definite in accordo con UNI EN 13706-3

ProprietàNormativa di riferimentoSimboloValore minimoU.M.
Modulo di elasticità flessionale efficaceEN 13706-2Eeff23GPa
Resistenza a trazione longitudinaleEN ISO 527-4fLt240MPa
Resistenza a compressione longitudinaleEN ISO 527-4fLc240MPa
Resistenza a flessione longitudinaleEN ISO 14126fLf240MPa
Modulo di elasticità a trazione longitudinaleEN ISO 14126ELt23GPa

CARATTERISTICHE FISICO-CHIMICHE

ProprietàNormativa di riferimentoValore minimoU.M.
DensitàISO 11831,75-1,95g/cm3
Contenuto di vetro (% peso)ISO 1172> 50%
Assorbimento d'acquaUNI ISO 62~0,4%
Coefficiente di dilatazione termicaISO 11359-28-9 x 10-6K-1
Conducibilità termicaISO 83020,35W/mK
Note

Siamo a tua disposizione

Per qualsiasi informazione sui nostri prodotti, non esitare a contattarci.
Il team di Italcomposites è a tua disposizione per fornirti assistenza e rispondere a tutte le tue domande nel minor tempo possibile.