SEDE ITALIA
Via Carnazzi 7 Trescore Balneario, 24069 (BG)
MARCO BACIS
STABILIMENTO DI PRODUZIONE
76026 BRKA – BRĈKO Districkt – BiH
FABIO PERONE

SCHEDA TECNICA

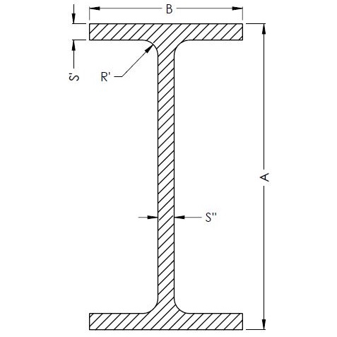
PROFILATI A “H”

SERIE 511

Logo certs
Disponibilità commerciale standard in barre da 6000 mm

CARATTERISTICHE GEOMETRICHE

CodiceABR'R''S'S''AreaPesoIxxIyyWxxWyy
mmmmmmmmmmmmmm²kg/mcm⁴cm⁴cm³cm³
511071005028814742,727209,4516,9341,896,77
511501001007,56,356,3518723,464322,51106,0464,521,21
511101206066613982,587305,5621,8250,937,27
511021206038817933,317376,4328,6662,749,55
51108150757,58823194,29786,3656,93104,8515,18
511111501007,58827205,032988,22133,96131,7626,79
5110620010010101038707,162344,85164,89234,4832,98
51104203101109,59,537456,9282353,66163,17231,8932,31
5110120020031015670412,40243451334,61434,5133,46

CARATTERISTICHE MECCANICHE

definite in accordo con UNI EN 13706-3

ProprietàNormativa di riferimentoSimboloValore minimoU.M.
Modulo di elasticità flessionale efficaceEN 13706-2Eeff25GPa
Resistenza a trazione longitudinaleEN ISO 527-4fLt320MPa
Resistenza a trazione trasversaleEN ISO 527-4fTt60MPa
Resistenza a compressione longitudinaleEN ISO 14126fLc280MPa
Resistenza a compressione trasversaleEN ISO 14126fTc50MPa
Resistenza a flessione longitudinaleEN ISO 14125fLf280MPa
Resistenza a flessione trasversaleEN ISO 14125fTf100MPa
Resistenza a taglio interlaminareEN ISO 14130fv25MPa
Modulo di elasticità a trazione longitudinaleEN ISO 527-4ELt24GPa
Modulo di elasticità a trazione trasversaleEN ISO 527-4ETt7GPa
Coefficiente di Poisson longitudinaleEN ISO 527-4νLT0,22-
Coefficiente di Poisson trasversaleEN ISO 527-4νTL0,04-

CARATTERISTICHE FISICO-CHIMICHE

ProprietàNormativa di riferimentoValore minimoU.M.
DensitàISO 11831,75-1,95g/cm3
Contenuto di vetro (% peso)ISO 1172> 50%
Assorbimento d'acquaUNI ISO 62~0,4%
Coefficiente di dilatazione termicaISO 11359-28-9 x 10-6K-1
Note

Siamo a tua disposizione

Per qualsiasi informazione sui nostri prodotti, non esitare a contattarci.
Il team di Italcomposites è a tua disposizione per fornirti assistenza e rispondere a tutte le tue domande nel minor tempo possibile.